您好,欢迎进入河南省中原蜜桃APP污实业有限公司官方网站!

与时俱进,诚赢客户

蜜桃视频在线观看视频、提梁机、门式蜜桃视频APP下载机生产厂家

服务电话:13782575673

技术资料

您现在所在位置:首页>>技术资料>>32/5吨、50/10吨双梁吊钩桥式蜜桃视频APP下载机性能参数

32/5吨、50/10吨双梁吊钩桥式蜜桃视频APP下载机性能参数

本文链接:http://www.766cs.com/jszc/1396.html   发布时间:2022-01-24 11:31:50  点击量:1604

  双梁吊钩桥式蜜桃视频APP下载机是双梁方式的桥式蜜桃视频APP下载机,32/5吨及50/10吨二种规格型号是双梁桥式蜜桃视频APP下载设备常见的二种吨数,适用于生产车间、库房等房间内场所吊装商品、物品等,我为各位详细介绍下32/5吨及50/10吨双梁蜜桃视频APP下载吊钩桥式蜜桃视频APP下载机性能参数。

  32/5吨、50/10吨双梁吊钩桥式蜜桃视频APP下载机结构图

32/5吨、50/10吨双梁吊钩桥式蜜桃视频APP下载机结构图

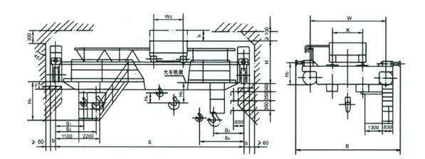
  32/5吨、50/10吨双梁吊钩桥式蜜桃视频APP下载机参数图

32/5吨、50/10吨双梁吊钩桥式蜜桃视频APP下载机参数图

文章聚合页面: 蜜桃视频APP下载机参数 蜜桃视频APP下载机结构 吊钩 32吨双梁蜜桃视频APP下载机 50吨双梁蜜桃视频APP下载机

技术资料

联系蜜桃APP污

CONTACT US

联系人:徐经理

手机:13782575673

电话:0373-8611375

邮箱:hnzyaqqz@126.com

官网:www.766cs.com

地址:河南长垣蜜桃视频APP下载工业园区华豫大道中段

网站地图